产品中心

Boston Electronics红外探测器HPS A01B

723 阅读
产品介绍

我们提供广泛的标准和自定义红外(IR)探测器。我们的红外探测器坚固耐用,价格合理,可批量生产。所有探测器均符合ROHS标准,不含任何汞、镉或铅。探测器解决方案可以包括电子产品,从而为您的产品或测试需求提供交钥匙解决方案。我们为您提供量身定制的OEM解决方案;我们的应用程序工作人员与您密切合作,指定、开发和生产您所需要的产品。

性能特点
  • 低噪音
  • 快速的
  • 宽带宽
  • 符合ROHS
  • TO和SMD封装
技术参数

产地:美国

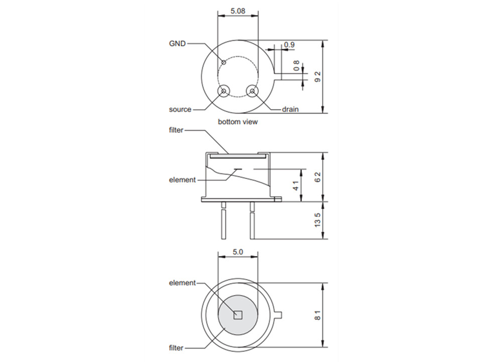
元件尺寸:1 mm×1 mm

孔径:5.0 mm

滤波器:自定义设计

响应度:>1100 V/W

噪音:<500 nV/Hz

比探测率:>2.108cm Hz/W

偏移电压:0.4至1.5 V

工作电压:2至18 V

TO外壳:39

工作温度:–20至70°C

储存温度:–20至70°C

产品尺寸

产品应用

关键应用包括光谱学、气体传感、激光计量、测距仪、激光雷达、量子级联和CO2激光系统。

相关产品