LUMIMAX LED 环形灯是均匀照明平面、哑光表面和反光表面的选择。不同尺寸和性能等级的 LED 环形灯为各种应用提供了很好的照明。透镜交换选项、漫射器、菲涅尔透镜和偏振滤光片可根据所需的检测任务优化辐射特性,即使在数米的工作距离内也是如此。借助我们的实用工具,您可以轻松简单地计算出 LR 系列环形灯的照明区域。使用可选附件直接安装在相机或镜头上,简化了 LED 环形灯与机器视觉系统的集成。有了 BASIC 系列 LED 环形灯,即使是对价格敏感的应用也能可靠地实现。灵巧轻便的设计便于集成到狭小或移动的机器视觉系统中。
内径从 46 毫米到 66 毫米不等
光输出高达 400 万勒克斯
紫外线 365 纳米和紫外线 395 纳米荧光应用
用于灵活调节和安装透镜的多功能附件
电缆:T1-适配器电缆;连接电缆;延长电缆
光学附件:光学附件安装系统;镜头滤镜;镜头套件;散光器
安装附件:Keyence 安装解决方案;西门子安装解决方案;堡盟VeriSens安装解决方案;用于 SensoPart 的安装解决方案;康耐视安装解决方案
电子附件:VC-Box
产地:印度尼西亚
光区尺寸:内直径 x 外直径(毫米) | 77 x 120
照明颜色 | 波长:红外线 | 850 纳米
光照方向:使用 36° 辅助透镜直接照射
工作模式:连续模式和开关模式
控制器:集成照明控制器
LED 技术:16 个高功率 LED
辐照度:115 W/m² @ 0.2 m
平均电流(24 V DC):0.9 A
照明区域功率:16 W
风险组别 - DIN EN 62471:风险组别 1
工作电压:19 至 30 V DC 宽范围电压输入
电气连接:150 毫米连接电缆,带 M16 12 针插头
TTL 开关输入:高电平 = 3 至 30 V DC
PLC 开关输入:高电平 = 15 至 30 V DC
开关操作:开关时间取决于开关信号 Connect + ON / OFF 和 GND ON / OFF
接通延迟:550 µs 内达到全亮度 连续操作 用高电平信号分配 + ON / OFF,例如通过施加到工作电压 连接 GND ON / OFF
通过电位器控制亮度:0 %(左挡)至 100 %(右挡)亮度 注:VC > 1 V DC 时自动停用
通过 VC 模拟输入进行亮度控制:VC = 1 至 10 V DC(0 % 至 100 % 亮度) 注:将电位器转到左止点
允许环境温度:5 至 45 °C,无冷凝
防护等级:IP 64
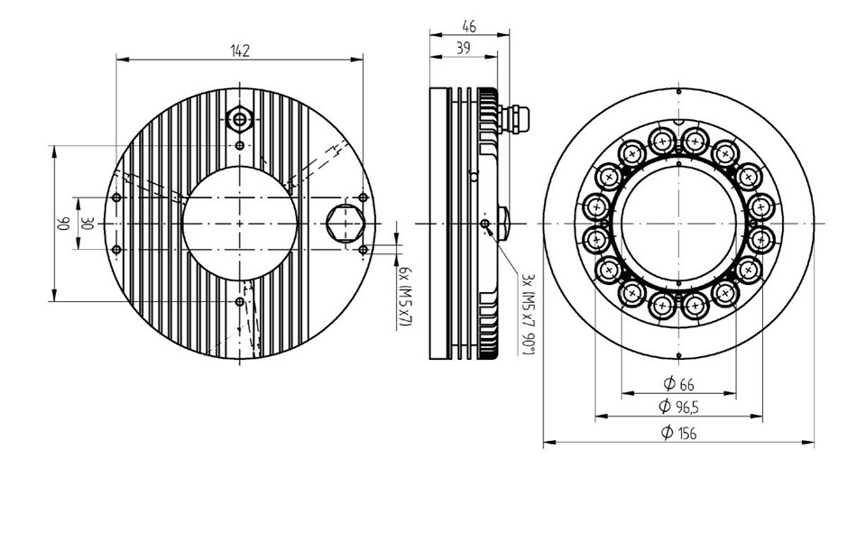
尺寸:Ø x h mm | 156 x 39(h = 79 mm,含弯曲半径电缆)
重量:1000 g
材料 外壳 | 屏幕:阳极氧化铝 | PMMA

户外、室内、工业