Monocrom的CS-mount-808-nm是一种波长为780至830 nm、输出功率为20至500 W、工作电流20至450 A。Monocrom的夹紧技术与我们的二极管激光支架中毫米尺寸冷却通道的使用相结合,使激光头非常坚固可靠,适合工业环境,维护要求低。
产地:西班牙
配置:多发射器
板条配置:垂直堆栈
波长:780至830nm
输出功率:20至500W
输出功率:20至500W
冷却方法:传导冷却
光谱宽度(FWHM):3nm
工作电流:20至450A
阈值电流:7到30A
填充系数:18至90%
平行光束发散:6到10度
光束发散垂直:29至37度
发射尺寸/发射器芯片:90至220µm
边坡效率:1.1至1.25 W/A
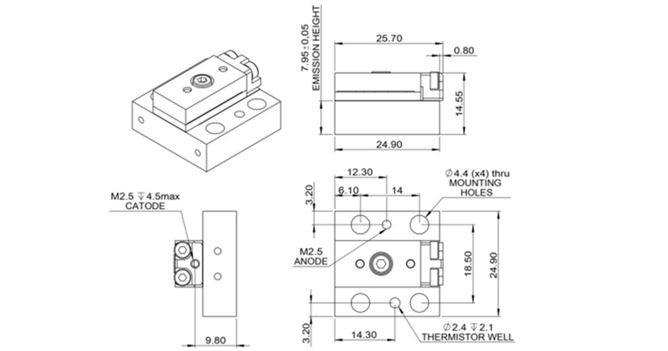
安装类型:CS安装
堆栈/阵列:阵列/堆栈
横向模式:TE/TM
类型:自由空间激光二极管
