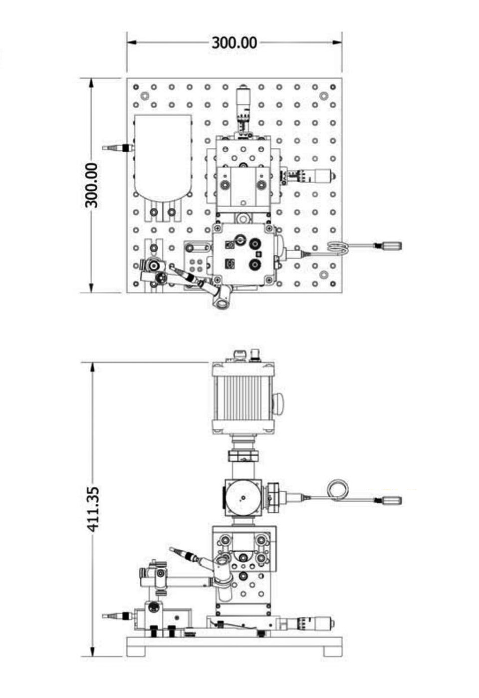
激光诱导击穿光谱(LIBS)是一种成分微分析技术,近年来得到了长足的发展。它的原理是使用激光使一小部分材料汽化(留下直径为微米的坑),形成等离子体,由光学光谱仪进行研究。由于所使用的激光脉冲功率高、高度局部化和聚焦,几乎可以从任何材料中产生等离子体,从而揭示样品的成分。我们的 LIBS 测量设备是一种便携式工具(300 × 300 × 412 毫米),几乎可以对任何材料进行成分显微分析,具体取决于用户选择的光谱仪。它是市场上性价比较高的 LIBS 仪器,具有固态激光和延迟发生器等独特功能。外置 LIBS 设备的激光光学元件不会发生偏差。因为掺钕钇钕石榴石(Nd: YAG)活性介质、其 Q 开关 Cr: YAG 和光学谐振器反射镜都是一体的,这要归功于我们选择利用晶体生长中与 "光学边界 "有关的新发展。其中的延迟发生器允许光谱仪在等离子体冷却时开始读数,从而消除了等离子体寿命开始几微秒内的强光噪声。从而提高信噪比。
可通过 XYZ 定位系统选择研究点
无需制样
对样本的损伤小
无需化学试剂
便携
分辨率高
实时结果
LIBS-LAS0070S-VIS (350- 700 nm)
LIBS-LAS0070S-IR (500 - 1000 nm)
LIBS-LAS0070S-EXT (200 - 1000 nm)

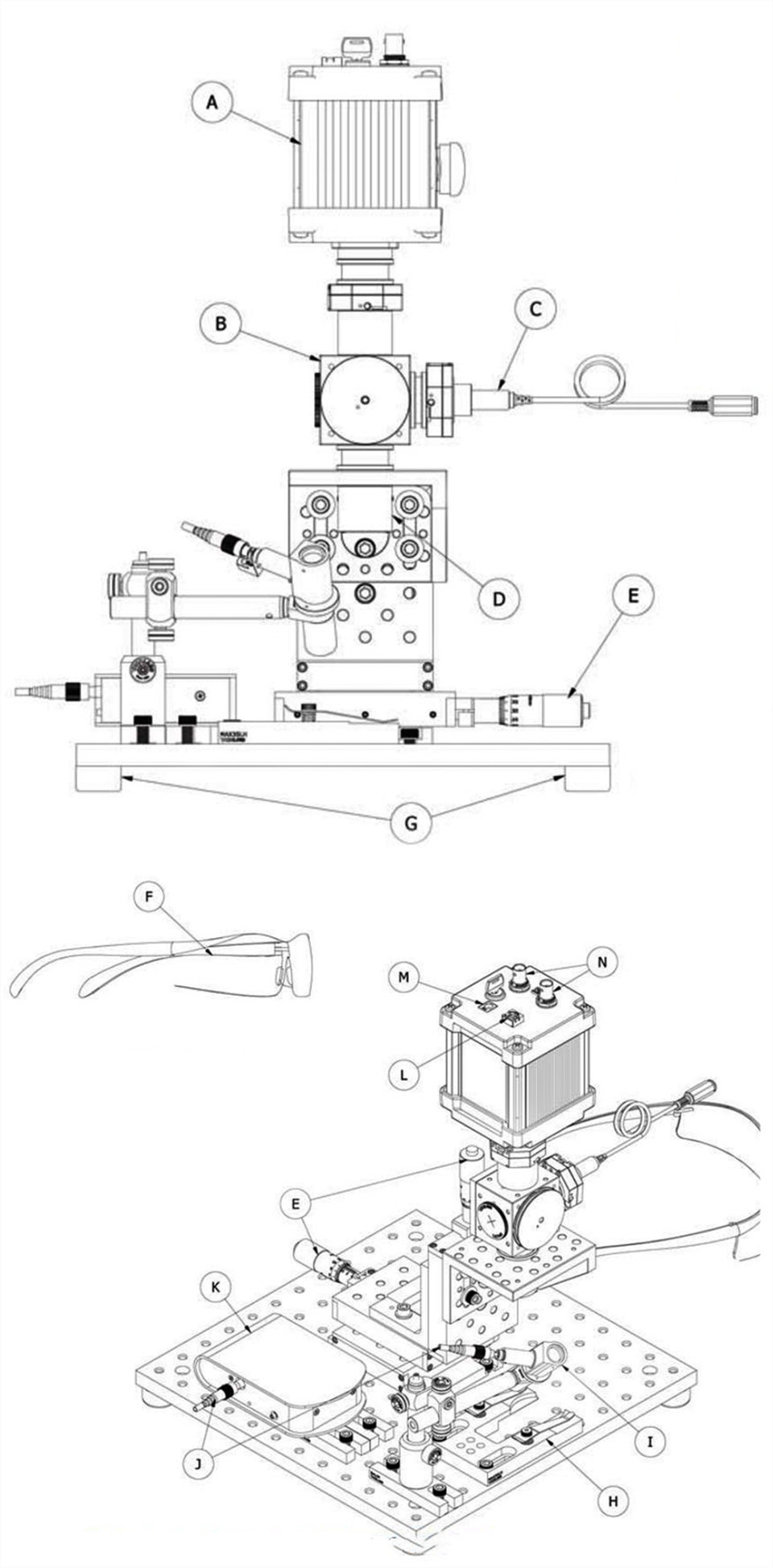
A 脉冲 Nd:YAG 激光器
B 光束分离器
C 红光指针激光器
D 聚焦镜座
E 用于 XYZ 的千分尺调节螺钉
F 激光防护眼镜
G 防震橡胶脚垫
H 样品支架
I 光纤拾取探头
J 光纤连接器(光纤未显示)
K USB 光学光谱仪
L 用于设置激光和延迟功率的 USB 激光端口
M 激光功率输入
N 用于通过 TTL 信号触发外部激光的 BNC 输入和 BNC 可编程延迟输出
产地:墨西哥
光谱范围:可见光
光谱分辨率:0.5 nm. 0.6 nm 或 2 nm
输入方式:通过光纤
触发器:外部触发器
固体激光器:Nd:YAG
脉冲能量:60 mJ
单脉冲:5ns FWHM
波长:1064 nm
频率时间:每 50 秒发射一次激光

适用于紫外、可见和红外波长的完整 LIBS 测量系统、激光诱导击穿光谱仪、嵌入式控制解决方案和技术