反射镜设计用于直流操作和扫描。二维器件采用开环方式运行,目前可提供反射面为 2.5x3.6 毫米的反射镜。Sercalo 磁偏转装置用于光束转向和扫描。这种 2D 设备以开环方式运行,目前可提供反射面为 2.5x3.6 mm 的反射镜。通过磁力驱动,偏转角度与驱动电流成线性关系。该反射镜设计用于直流操作和扫描。它适合小尺寸和低功耗的应用。
2 个执行轴
± 4°(高达 5°)
线性控制
MM-2536-2-AU 2.5x3.6mm 金色表面处理
MM-2536-2-AL 2.5x3.6mm 铝质表面处理
产地:瑞士
Max启动电流:200 mA
Max启动功率:1 W
表面处理:金或铝
反射率(800-2000 纳米):95
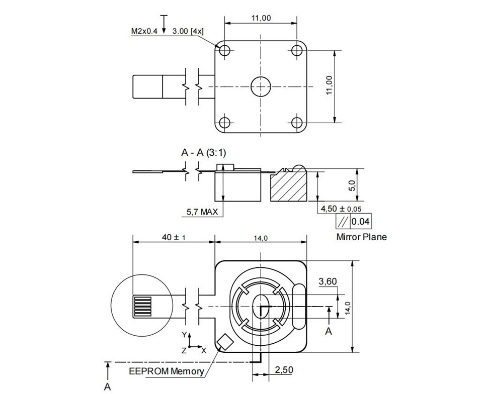
反射镜尺寸(A x B):2.5 x 3.6 mm2
镜面平整度 (ROC):10 m
倾斜角度 DC(机械):± 4°(Max 5)
共振频率 X:350 至 390 Hz
共振频率 Y: 200 至 240 Hz
入射角度:45°
工作温度:-5 至 85°C
存储温度:-40 至 85°C
尺寸(长x宽x高):14.0 x 14.0 x 5.0(Max 5.7)mm

二维静态和动态光束转向、二维光学扫描仪装置、仪器测量