产品中心

Shinkoh Electronics光电传感器KI5274

666 阅读
产品介绍

光电传感器是将光信号转换为电信号的一种器件。其工作原理基于光电效应。光电效应是指光照射在某些物质上时,物质的电子吸收光子的能量而发生了相应的电效应现象。根据光电效应现象的不同将光电效应分为三类:外光电效应、内光电效应及光生V效应。光电器件有光电管、光电倍增管、光敏电阻、光敏二极管、光敏三极管、光电池等。分析了光电器件的性能、特性曲线。KI5274 型由一个红外线 LED 和一个高灵敏度光电晶体管(模拟输出)组成。

性能特点

防尘结构:不易受灰尘影响

可见光截止型:受环境光影响较小

技术参数

产地:日本

正向电流IF:50 mA

脉冲正向电流IFP:1 A

反向电压VR:5 V

允许耗散P:75 mW

集电至发射电压VCEO:30 V

发射至集电电压VECO:5 V

集电电流IC:20 mA

集电耗散Pc:75 mW

工作温度Topr:-20 至 +75 °C

存储温度Tstg:-30 至 +80 °C

正向电压 VF: 1.2 至 1.5 V

反向电流 IR: 10 μA

暗电流 ICEO: 0.1 µA

光电流 IC: 0.5 mA

集电-发射饱和电压 VCE(sat):0.4 V

上升响应时间 tr:50 µs

下降响应时间 tf:50 µs

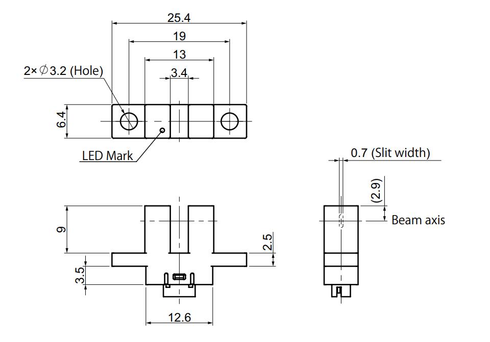
产品尺寸

产品应用

卡片设备和换钞机中的物体通过检测、自动售货机和娱乐机的硬币通过检测、自动售票机的纸张通过检测、办公自动化设备、其他

相关产品