VD6283TX(1.83 x 1.0 x 0.55 mm)是意法半导体环境光传感器的第三个版本,具有新型的光闪烁提取功能。由于采用了独立的 ADC 和每个颜色通道的读数,因此光测量快速而准确。VD6283TX 采用具有准确响应的混合滤色片,提高了相关色温 (CCT) 和 Lux 性能的准确性。VD6283TX 可在 30 ms内完成摄像机白平衡的辅助工作。VD6283TX 采用架构和高性能光电二极管设计,可以提取光闪烁频率,从而增强摄像体验,避免视频或取景器模式出现 "带状效应"。此外,VD6283TX 是能够提取不同光频闪烁波形的传感器,包括 LED 方波信号,可与 ALS 操作同时进行闪烁操作。
微型光学模块
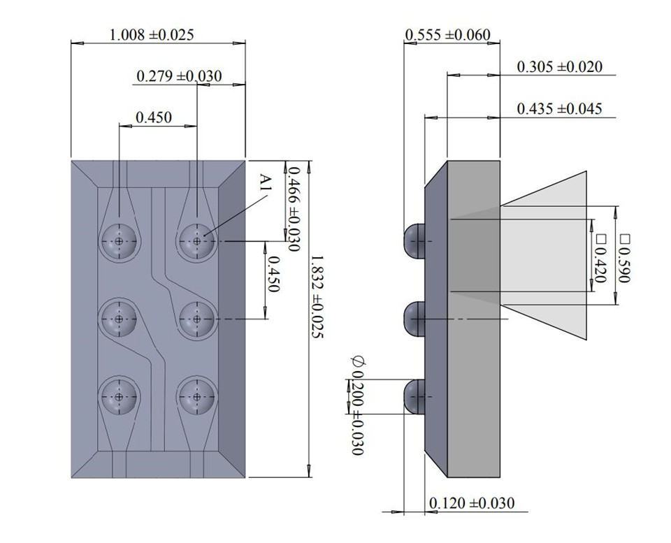
光学 BGA,6 球,回流焊封装
顶部装有手机盖板玻璃
具有 6 个独立通道的 ALS 操作
混合滤光片,具有高光数响应
所有通道并行感应:红、绿、蓝、红外、透明和可见光
从 7 mLux 到 30 klx(绿色通道)的高动态范围
低照度条件下的高灵敏度和低噪音
光闪烁提取
创新的读出结构可提取交流光频闪信号
100 Hz 至 2 kHz 频率检测,正弦波或方波
提供多种提取模式(模拟或数字模式)
意法半导体提供软件驱动程序
高达 1 Mbit/s 的 I²C 接口(快速模式增强)
适合移动应用
1.8 V 电源
低功耗
产地:美国
封装类型:带薄玻璃的光学模块 - 6 球 BGA
产品尺寸:1.83 x 1.0 x 0.55 mm
工作电压:典型值为 1.8 V(1.65 V 至 1.95 V)
工作温度:-30 至 85 °C
6 个 ALS 通道:红色、可见光、蓝色、绿色、红外和透明
1 个闪烁通道:使用上述任意单通道的闪烁通道(用户可选)
I2C:1 MHz 快速模式加兼容,默认地址 = 0x40h(写入)
测量间隔:256 步,每步 20 ms(从 0 ms到 5.12 s)
频率检测: 100 Hz至2 kHz
积分时间步长:典型值为 1.6 ms
积分步数: 1 至 1024(1.6 ms至 1.6 s)

用于智能手机和智能手表屏幕调节、相机白平衡色彩辅助的真彩色调感应 IC、勒克斯和 CCT 测量、用于闪烁校正辅助的光频提取