标准和定制彩色 LED 效率高,适用于需要辐射测量和严格光谱带宽的应用。使用光电检测器电路测量输出,Opto Diode生产发光二极管(LED),用于各种应用,这些应用需要坚固、密封的封装,能够承受高或者低的温度。从我们的宽、中或窄光模式的可见光、近红外、窄光束角度的红色或蓝色高输出可见光LED,或用于夜视和监控应用的高功率近红外LED中进行选择。适合汽车、科学、商业、成像、航空航天和其他要求苛刻的军事或工业任务。
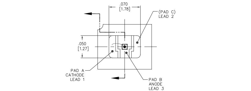
A 引脚 1 引线 描述:阴极
B 引脚 2 引线 描述:接地或 NC
C 引脚 3 引线 描述:阳极
产地:美国
25 ℃ 时的电光特性
正向电压 IF = 20 mA:1.8 至 2.2 V
辐射功率 IF = 20 mA:1.0 至 2.0 mW
辐射效率 IF = 20 mA:56 %
峰值波长λp ,IF = 20 mA:685 nm
50 % 时的光谱带宽Δλ ,IF = 20 mA:30 nm
反向击穿电压VR ,IR = 10 uA:5 至 10 V
10 usec @ 300 Hz上升时间 IFP = 20 mA:100 nsec
10 usec @ 300 Hz下降时间 IFP = 20 mA:40 nsec
功率耗散:120 mW
连续正向电流:50 mA
峰值正向电流:100 mA
存储和工作温度范围:-40 至 +125 ℃
Max结温:125 ℃

生物分析、健康、科学