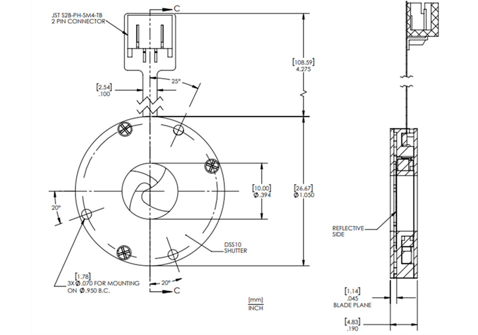
Uniblitz DSS10B是一款10毫米双稳态激光快门,具有非常低的外形结构。该设备没有外部突出的执行器,因此非常纤薄,便于系统集成。DSS10B固有的可靠性来源于它只包含两个运动部件:驱动环和叶片。保证运行2000000次。
双稳态快门设备,如DSS10B,不需要电力将叶片保持在打开或关闭状态。

产地:美国
线圈电阻:8 OHMS
开路电压:+10.7 VDC
保持电压(标称):N/A
重量:4.7 g
工作温度:-10-+65°C
打开弹跳:max.15%
收盘反弹:max.5%
工作频率:max.5 Hz/20 Hz
快门叶片数量:4
