产品中心

VIGO光伏探测器PV-5-AF1×1-TO39-NW-90

958 阅读
产品介绍

PV-5-AF1×1-TO39-NW-90是一种基于复杂的HgCdTe异质结构的非制冷红外光电探测器,具有高的性能和稳定性。为了使该探测器免受不必要的光学边缘效应的影响,VIGO开发了抗边缘技术(基板表面的内部修饰)并成功应用。这使得边缘比标准红外探测器小10-40倍。

性能特点
  • 应用防边缘技术
  • 1–4.4µm光谱范围内的边缘显著减少
  • 活动区域大
  • 好的线性度
  • 无需偏差
  • 无1/f噪声
技术参数

产地:波兰

活性元素材料:外延HgCdTe异质结构

切入波长λcut-off(10%):2.1±0.2 µm

峰值波长λ峰值:4.4±0.2 µm

截止波长λ截止(10%):≥5.3 µm

检测率D*(λ峰值):~1.45×109 cm·Hz1/2/W

电流响应率Ri(λ峰值):~0.36 A/W

时间常数τ:~570 ns

电阻R:8Ω

有效面积A:AF1×1 mm×mm

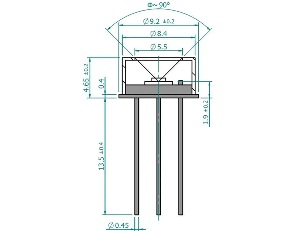
包装:TO39

验收角度Φ:~90°

窗口:无

产品尺寸

产品应用

气体检测、监测和分析(CO、HF、NH3、C2H2、CH4、C2H6、HCl、H2CO、SO2、CO2、N2O、NOx)

相关产品