ARTCAM-990SWIR-TEC 采用 1280 x 1024 像素的更高分辨率传感器,以 72 fps 的速度传输图像,该相机采用 USB3.0 接口,因此数据可直接传输到 PC。无需采集卡。
高灵敏度近红外检测
高分辨率、高帧频
USB3.0 接口
1) 摄像机
2) USB3.0 电缆 A 型-Micro B 型连接器电缆,长约 3 米。
3) 交流适配器(DC12V)
4) 专用查看器软件/设备驱动光盘
1) 近红外镜头(C 安装镜头)
产地:日本
传感器类型:1.3 百万像素 InGaAs 图像传感器
传感器型号:SONY IMX990-AABA-C
图像传感器冷却功能:电子冷却 (≤ 15 ℃)
实际像素阵列(H×V):1296 × 1032
有效像素阵列(H×V):1280 × 1024
像素间距:5 × 5 μm
图像尺寸:6.4 × 5.12 mm
对角线长度:8.2 mm,1/2 英寸
光谱范围:400 至 1700 nm
快门类型:全局快门
信噪比:51 dB(参考值)
接口:USB3.0 批量传输
A/D 分辨率:12 位
帧速率: Max 72 fps(12 位和 8 位通用)
快门速度:20.3μsec. 至 2 秒
增益(模拟/数字)
0~420 ※默认值:0
0~42[dB] ※默认值:0[dB]
ROI 子采样 (1/2)
开/关 ※默认值:关
ROI:仅垂直(仅软件支持水平) ※默认值:0[dB]
子采样:1/2
触发器开/关 ※默认值:关
镜像:ON/OFF ※默认值:OFF;垂直和水平
同步系统:内部同步
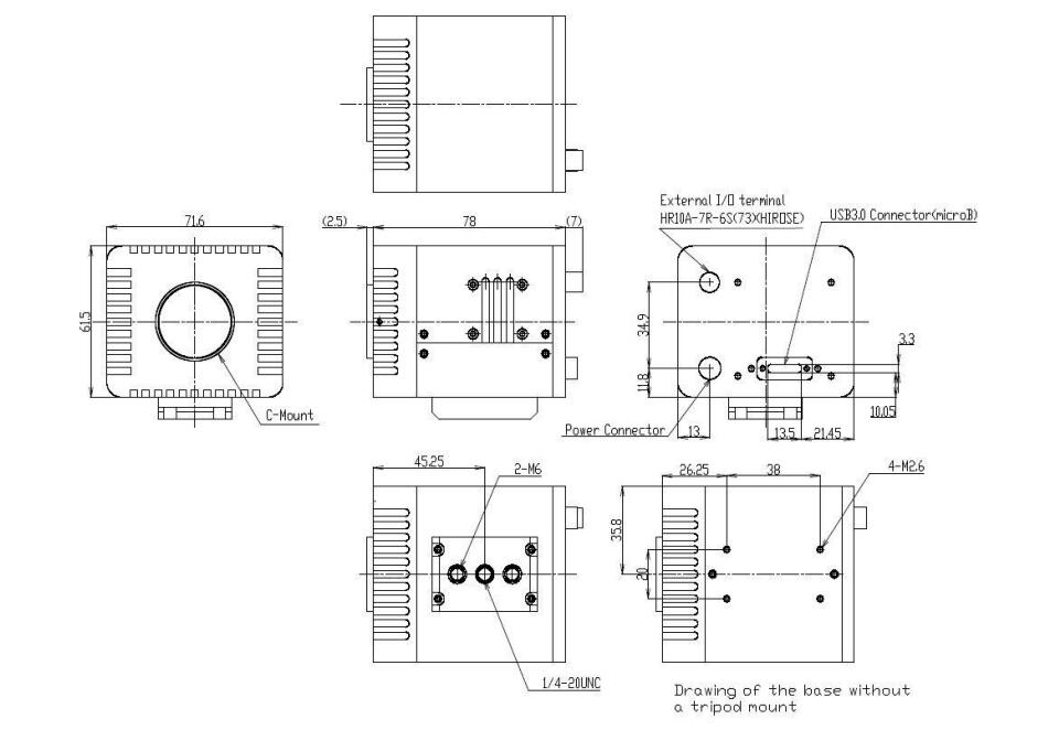
镜头安装:C 安装
外部 I/O 端子:HR10A-7R-6S(73) (HIROSE)
电源:DC 12 V 外部输入
功耗:约 11 W 以下
工作温度/湿度:10 至 40 ℃ / 10 至 80 %(无冷凝)
存储温度/湿度:0 至 60 ℃ / 10 至 95 %(无冷凝)
外形尺寸(宽×高×深):71.6 × 61.5 × 78.0 mm;不含镜头、三脚架支架和电缆。
重量:约 440 克

工业