ARTCAM-265IMX-WOM 系列是专为工业用途设计的 USB2.0 CMOS 摄像机。采用 USB2.0 接口,因此无需采集卡即可将数据直接传输到 PC 上。采用 USB2.0 接口,因此无需采集卡或主机适配卡即可将数据直接传输到 PC。CMOS 传感器采用全局快门,因此即使高速移动的物体也能清晰拍摄,不会失真。用户可通过 ART-Viewer 轻松预览、保存图像并更改相机设置。在开发图像处理软件时,标配的软件开发工具包可让您通过其他应用程序获取相机图像和控制相机。可选的 2D 测量和归档软件 -ART-MEASURE 提供实用的 2D 测量功能。
USB2.0 接口
全局快门
随附查看器软件
随附软件开发包
2D 测量和归档软件(可选)
1) 相机
2) USB2.0 电缆(USB2.0 A 至 micro B 型 3.0m)
3) 查看器软件和设备驱动程序光盘
1) C 安装镜头
2) 2D 测量和填充软件 <ART-MEASURE
3) 软件开发包 [ARTCCM-SDK]
4) 带中继功能的 USB 延长线(5.0 米)
产地:日本
传感器类型:CMOS 图像传感器
型号:IMX265LQR-C
像素总数(H×V):2064 x 1554 约 321 万像素
有效像素(H×V):2064 x 1544 约 319 万像素
执行像素数(H×V):2064 x 1544 约 319 万像素
适配记录像素数(H×V):2048 x 1536 约 315 万像素 所有像素;1920 (H) x 1080 (V) 约 207 万像素 1080p 全高清
有效图像尺寸(H×V):7.12 × 5.33 毫米,1/1.8 英寸
扫描模式:逐行扫描
像素尺寸(H×V):3.45 × 3.45 μm
快门:全局快门
滤色器阵列:RGB 拜尔模式
同步方式:内部同步(预览模式) 外部同步(触发模式)
A/D 分辨率:12 位
接口:USB2.0 批量传输
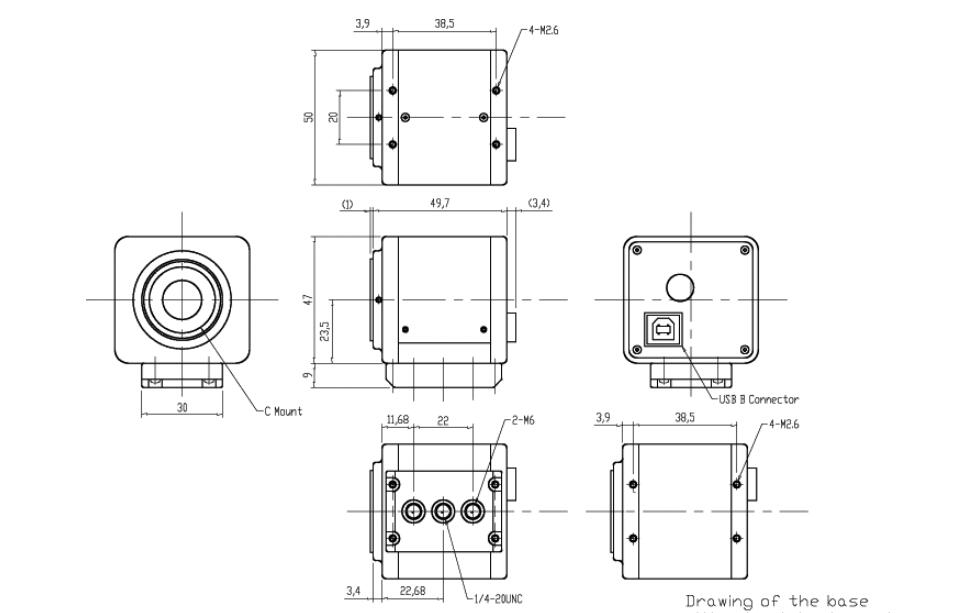
镜头安装:C 安装
帧频:Max 12.0 帧/秒(8 位);Max 6.0 帧/秒(12 位)
曝光时间:1/21941 至 1.49 秒
电源电压:5.0 V (± 0.5 V) USB 总线电源
功耗:约 2.5 W
工作温度/湿度:0 至 35 ℃ / 10 至 80 %(非水蒸气凝结状态)
存储温度/湿度:0 至 60 ℃ / 10 至 95 %(非水蒸气冷凝状态)
外形尺寸(W×H×D):50.0 × 47.0 × 49.7 毫米;不包括镜头、三脚架支架和投影仪
重量:约 140 克;不包括镜头、三脚架支架和电缆

工业