ARTRAY紫外相机ARTCAM-2020UV-CL

2003 阅读
产品介绍

ARTCAM-2020UV-CL 是一系列对 200 nm 至 1100 nm 波段具有高灵敏度的紫外相机,其 CMOS 传感器可检测到 200 nm 至 1100 nm 波段范围内人眼看不见的辐射。

性能特点

高灵敏度紫外线检测

CameraLink 接口

产品结构与细节

1) 相机

2) 交流适配器(AC100-240V -> DC12V)

3) 软件光盘

可选功能与配件

1) 采集卡(可使用 EPIX 公司的 PIXCI-EB1)。

2) CameraLink 电缆(标准 5 米,可更换为 1 米或 3 米)

3) CameraLink SDK(EPIX 等公司生产的 XCLIB)

技术参数

产地:日本

图像拾取装置:Gpixel 4.0M 像素 CMOS 传感器 GSENSE2020BSI

总像素数(高×宽):2056 x 2058

有效像素数(高×宽):2048 x 2048

像素尺寸(高×宽):6.5 × 6.5 μm

成像面积(高×宽):13.3 × 13.3 mm

对角线:18.809 mm,约 1.2 英寸

检测频段:200 至 1100 nm

快门类型:卷帘快门(可全局复位)

饱和容量/读出噪声:54ke1.6e- @12/11bits

A/D 分辨率:11/12 位

接口:相机链接(基本配置)

输出位数:12 位

帧频:11.5 帧/秒

快门速度:42.32 μs 至 2 s

ROI:仅垂直(水平仅在软件中提供)

同步系统:内部同步/外部触发器同步

镜头安装:C 安装

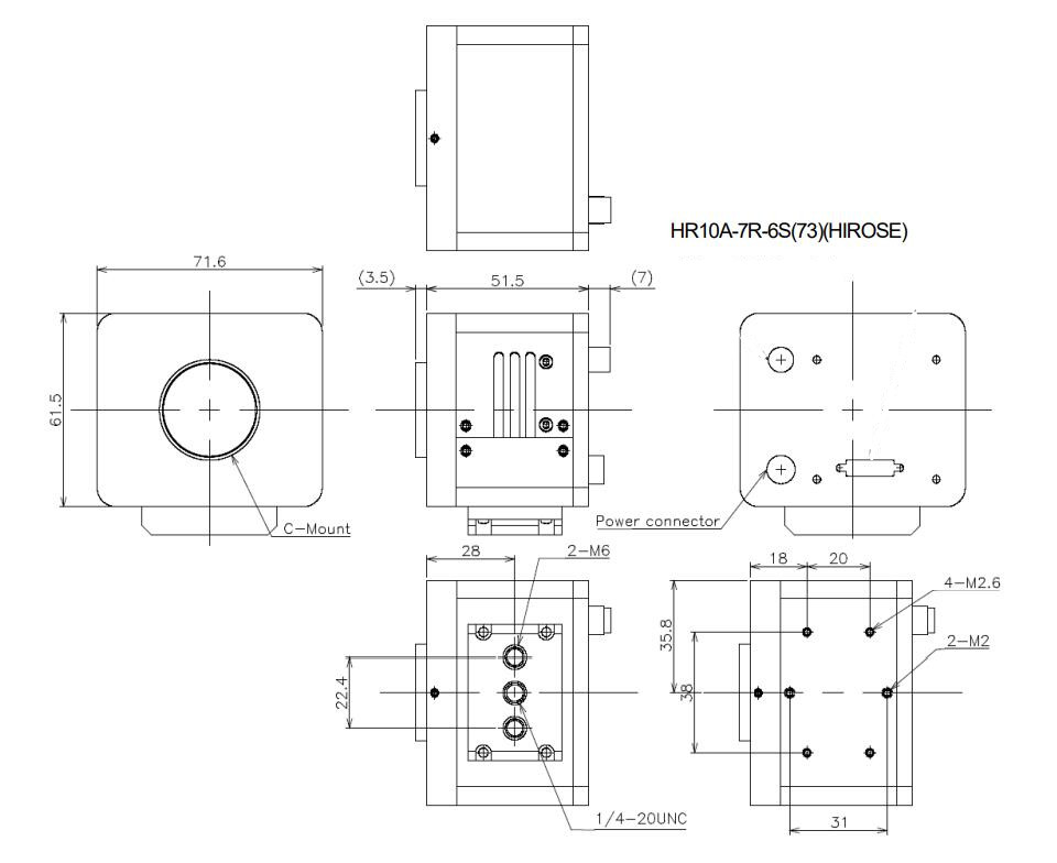
外部 I/O 端子:HR10A-7R-6S(73) (HIROSE)

电源:DC 12 V 外部输入

功耗:约 6 W(正常工作时)

工作温度/湿度:0 至 35 ℃ /10 至 80 %(无冷凝)

存储温度/湿度:0 至 60 ℃ /10 至 95 %(无冷凝)

外部尺寸(W×H×D):71.6 × 61.5 × 51.5 毫米;不包括镜头、三脚架支架和投影仪

重量:约 240 克;不包括镜头、三脚架和投影仪

产品尺寸

产品应用

半导体制造、工业检测、食品、环境保护等领域

相关产品