ARTCAM-407UV-WOM 是一款工业紫外相机,能够捕捉紫外区域的高灵敏度图像,对可见光范围以外的波长具有高的灵敏度,因此非常适合广泛的工业应用。该产品在 200-900 nm 波段使用了索尼高灵敏度 CCD 传感器,可拍摄普通 CCD/CMOS 相机或人眼难以拍摄的紫外区域物体的清晰图像。这一特性与紫外线(UV)照明相结合,可将产品表面的微小划痕、斑点和凹凸不平等细微异常情况呈现出来,有助于改进质量控制,而传统的检测方法很难检测到这些异常情况。
作为一款紫外相机,它在利用紫外线进行检测、分析和质量控制等工业应用中具有高准确度和可靠性。紫外线辐射是一种波长比可见光(10-400 nm)短的电磁辐射,对于工业相机来说,捕捉不可见光范围是非常重要的。ARTCAM-407UV-WOM 支持的 200-900 nm 范围涵盖了从紫外光到可见光的所有光线,是在特殊环境下进行图像分析和高精度检测工作的有力工具。
ARTCAM-407UV-WOM 的高性能和灵活性使其成为需要检测的行业不可或缺的工具。
USB2.0接口 USB2.0 接口与 PC 高度兼容,无需采集卡或主机适配卡即可直接将图像采集到 PC 上。
1) 相机
2) USB2.0 电缆(A-B 型连接器电缆,长约 3 米)对于不带 USB 接口的开放式框架型号,需附加一个 A 型接口(3 米)。
3) 查看器软件和设备驱动程序光盘
1) C 安装镜头
2) 2D 测量和填充软件 <ART-MEASURE
3) LabView DLL
4) 带中继功能的 USB 延长线(5.0 米)
产地:日本
传感器类型:SONY CCD
像素:150万
快门类型:全局式
接口:USB2.0
分辨率:1360(H)x1024(V)
光学格式:1/2英寸
传感器尺寸:6.47(H)x4.83(V) mm
像元尺寸:4.65(H)x4.65(V) μm
帧率:12fps
A/D转换:10bit
曝光时间:16.9μs ~80ms
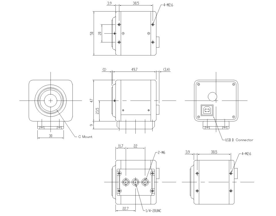
外形尺寸:50.0(W)x47.0(H)x49.7(D) mm
重量:120g

半导体制造、工业检测、食品、环境保护等领域