产品中心

AEON半导体光放大器CM

1298 阅读
产品介绍

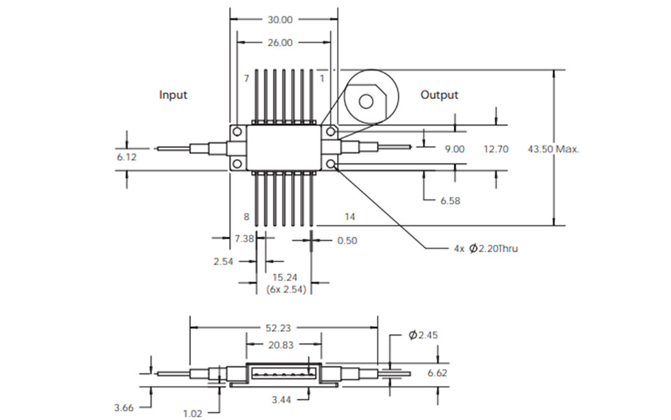
QLight C-Amp 是一种半导体光放大器 (SOA),专为通信、光纤传感以及测试和测量应用而设计。它基于 Alphion 专有的 QLight 技术平台,用于制造先进的分立光子器件和光子集成电路(PIC)。C-Amp 采用符合 MSA 标准的 14 引脚蝶形封装,基于 Aeon 标准封装平台。该封装集成了热敏电阻和热电冷却器,可使 SOA 在整个工作温度范围内稳定工作。该产品有 CL、CM 和 CH 三种型号,根据增益水平的不同而有所区别。Alphion QLight C-Amp 在放大突发模式流量和用于宽调谐激光波束时具有高的性能。

性能特点
  • 14 引脚 MSA 封装
  • 宽光带宽
  • 覆盖 C 波段(1550 纳米
  • 支持高达 160 Gb/s 的速率
  • 极化依赖性低
  • 高输出功率
技术参数

产地:美国

工作波长:1525...1565 nm

峰值增益:5...30 dB

峰值增益 WL:1545 dB

增益平坦度:1.0 dB

增益纹波:0.2 dB

噪声系数:6.0 dB

极化相关增益:1.0 dB

饱和输出功率:10 dBm

饱和输出功率:13 dBm

正向电压:2 V

工作偏置电流:120...420 mA

热敏电阻电阻:10 kΩ

总功耗:4 W

工作温度:0...70℃

存储温度:-40...85℃

工作偏置电流:max.300 mA

热敏电阻电流:max.5 mA

TEC 电流:max.1.8 A

TEC 电压:max.3.4 V

产品尺寸

产品应用

发射放大器

接收器前置放大器

在线放大器

损耗补偿

扫频信号源增益介质

 

相关产品