高功率系列激光器是二极管泵浦 Nd:YAG-Cr:YAG 微芯片激光器,具有被动 Q 开关,因此型号非常紧凑且经济有效率。密封坚固的外壳使激光器使用寿命长,服务要求低,可靠性高,错误率低。通过将所有相关激光头数据存储在 EEPROM 上,可以实现远程服务。此外,还有多种选项可供选择,以补充激光器,满足您的应用需求。可以将激光器耦合到光纤中,扩展光束,包括波长开关,或安装衰减器以降低输出能量。这些激光器专为 OEM 或科学研究而设计,拥有成本低。
SMA 连接器,用于芯径 ≥ 600 μm 的光纤
同步信号输出(上升时间 <2 ns)
手动快门或电子光束阻断器
手动或电子衰减器
独立系统(包括按键开关、散热器和手动快门;符合 CDRH 标准)
带风扇的散热器(建议重复率 >20 Hz)
产地:德国
波长:1064 nm
空间模式:TEM00
光束发散度2Θ:< 9 mrad
椭圆率:<2:1
腰部直径:600 ± 150 μm(位于激光头内约 110mm 处)
光束直径:1200 ± 400 μm(激光孔径处)
峰值功率:> 1250 kW @ 20 Hz
脉冲能量:> 2500 μJ @ 20 Hz
脉冲重复率:1 – 80 Hz
脉冲宽度 (FWHM) :< 2.5 ns
偏振方向和纯度:> 50:1,垂直
长期脉冲能量稳定性(6 小时):< ± 6 %
脉冲间稳定性:< 5 % rms
光输出:自由光束
激光等级:3B / IIIb
电耗:< 150 W
线路电压:100 – 240 V AC (50-60 Hz) 或 24 V DC
接口:RS 232、USB
预热时间:< 15 分钟
工作温度:18 – 38 °C
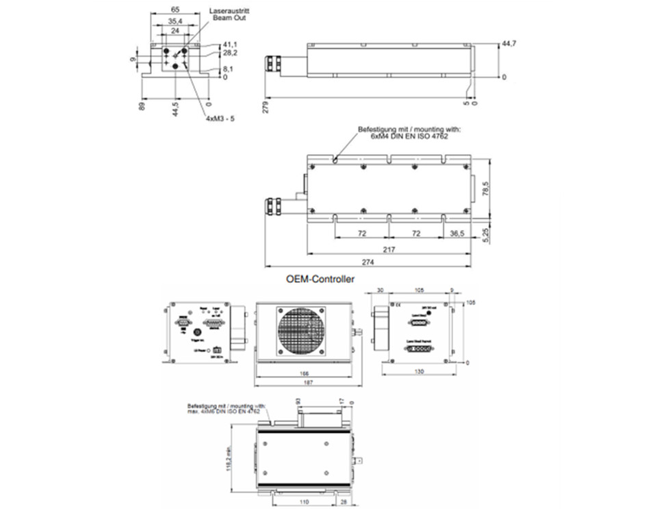
激光头尺寸:217 x 65 x 45 mm

消融
LIBS
光声