FDSS532 系列高功率激光器的优势在于,只需对基波进行一次转换即可产生 532 nm。在使用 808 nm 激光二极管泵浦激光晶体后,产生的 1064 nm 辐射被引导到 NLO 晶体中,在那里频率加倍,从而转换为 532 nm。根据泵浦时间,可以产生 150 µJ 至 1 mJ 的激光能量。这适用于基于烧蚀的应用,例如材料加工或激光诱导等离子体光谱 LIBS,例如宝石,它们可以很好地吸收绿色激光。光声应用也是可能的。
适用于直径 ≥ 400 μm 光纤的 SMA 连接器
同步模块(上升时间 < 2 ns)
手动快门或电子光束阻断器
手动或电动波长开关 532 nm / 1064 nm
手动或电动衰减器
外部望远镜(即 M=5)
带风扇的散热器(建议重复率 > 20 Hz)
独立系统(包括按键开关、散热器和手动快门;符合 CDRH 标准)
产地:德国
波长:532 nm
空间模式:TEM00
光束发散度(全角):< 6.5 mrad
椭圆度:<2:1
腰部直径:500 ± 150 μm(位于激光头内约 110mm 处)
光束直径:1000 ± 300 μm(激光孔径处)
峰值功率:> 550 kW @ 20 Hz
脉冲能量:> 1000 μJ @ 20 Hz
脉冲重复率:1 – 80 Hz
脉冲宽度(FWHM):< 1.8 ns
偏振方向和纯度:> 100:1,垂直
长期脉冲能量稳定性(6 Stunden):< ± 5 %
脉冲间稳定性:< 5 % rms
光输出:自由光束
激光等级:3B / IIIb
电耗:< 150 W
线路电压:100 – 240 V AC (50-60 Hz) 或 24 V DC
接口:RS 232、USB
预热时间:< 15 分钟
工作温度:18 – 38 °C
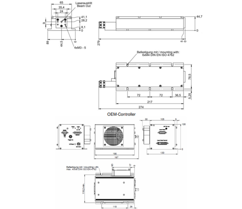
激光头尺寸:217 x 65 x 45 mm

消融
LIBS
光声