Marana-X 是 Andor 为直接 EUV 和软 X 射线应用量身定制的开创性 sCMOS 平台。手工打造,提供好的性能和多功能性 Marana-X 在不到 50 毫秒的时间内读取 4.2 兆像素高分辨率阵列,同时保持低的读取噪声;比类似分辨率的 CCD 探测器快数百倍。
与现有的 CCD 相比,新型 Marana-X sCMOS 在 EUV-1 keV 能量范围内具有更高的量子效率。 Marana-X 、的量子效率与其CMOS 技术相得益彰,可通过 74 fps 全帧快速实现实验时间的更小化和更大的数据吞吐量。


传感器类型:背照式科学 CMOS
阵列尺寸:2048 (W) x 2048 (H)
4.2 百万像素
像素尺寸:6.5 x 6.5 μm
图像区:13.3 毫米 x 13.3 毫米
(对角线 18.8 毫米)
读出模式:滚动快门
像素读出率: 310 MHz(快速高动态范围模式,16 位)
180 MHz(低噪声模式,12 位)
量子效率:高达 99%
读取噪声 (e-) 中值:1.6 e-(快速高动态范围模式,16 位)
1.2 电子-(低噪声模式,12 位)
传感器工作温度
风冷:-25°C(max.30°C 环境温度)
水冷/液冷:-45°C(@16°C 水)
暗电流
风冷 (@-25°C) :0.15 e-/像素
水冷/液冷 (@ -45°C) :0.10 e-/像素
有效区域像素井深度:
55 000 e-(快速高动态范围模式,16 位)
1800 e-(低噪声模式,12 位,位深度受限)
动态范围:34 000:1(快速高动态范围模式,16 位)
数据范围:16 位(快速高动态范围模式)
12 位(低噪声模式)
线性:> 99.7%
PRNU:< 0.5% (@半光范围)
感兴趣区域 (ROI) :用户可定义,1 像素粒度,
Min.尺寸 9(宽)x 1(高)
预定义 ROI:1608 x 1608、1200 x 1200、1024×1024、512×512、128×128
像素合并(在 FPGA 上):2 x 2、3 x 3、4 x 4、8 x 8(也提供用户可定义的合并)
真空兼容性:>10 mbar
I/O
O:Fire Row 1, Fire Row n, Fire All, Fire Any, Arm
I:外部
触发模式:内部、外部、外部启动、外部曝光、软件
软件曝光事件:开始曝光 - 结束曝光(第 1 行),开始曝光 - 结束曝光(第 n 行)
图像时间戳精度: 25 ns
PC 接口:USB 3.0和 CoaXPress
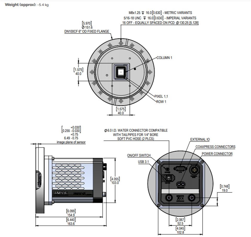
安装法兰:DN100CF (ConFlat) 6” O.D.固定法兰提供 M8 或 5/16 UNC 螺纹孔

原位射线照相
断层扫描
光谱学
高光谱成像
HHG 源表征
EUV 投影仪
EUV 光刻