ARTCAM-2020UV 系列配备了由 Gpixel 制造的高灵敏度 CMOS 传感器,是工业检测和研究应用中理想的紫外相机,支持 200-1100 纳米的宽波长范围。紫外光可以清晰地显示在正常可见光范围内无法捕捉到的结构,如微小的表面缺陷、斑点和不规则。这样就可以捕捉到人眼或普通 CCD/CMOS 相机难以捕捉到的特定材料和物体的特征,而不会遗漏任何东西。
该系列相机在紫外线范围内具有高灵敏度,与紫外线照明结合使用时,灵敏度会进一步提高。紫外线(UV)的波长比可见光短,会在材料表面引起独特的反应。ARTCAM-2020UV 系列利用这一特性提供高度准确和可靠的观测,例如在产品表面质量检测和特殊材料评估中。特别是在化学产品、电子元件和工业产品的生产过程中,高灵敏度的要求为提高产品质量和检测缺陷做出了重要贡献。
产地:日本
传感器类型:CMOS
像素:400万
快门类型:卷帘式
接口:USB3.0 / Camera Link
分辨率:2048(H)x2048(V)
光学格式:1英寸
传感器尺寸:13.3(H)x13.3(V) mm
像元尺寸:6.5(H)x6.5(V) μm
帧率:max.21.5fps
A/D转换:12bit
曝光时间:112μs~2s
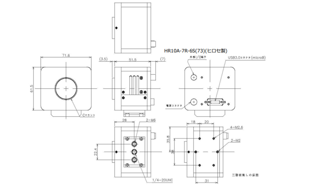
外形尺寸:71.6(W)x61.5(H)x51.5(D) mm
重量:240g
