ARTRAYUSB2.0相机ARTCAM-130HP-WOM

1181 阅读
产品介绍

ARTCAM-130HP-WOM 系列是专为工业用途开发的 CMOS 摄像机系列。它采用了 Hamamatsu Photonics 生产的具有高近红外灵敏度的 S11661 CMOS 图像传感器,并采用了与 PC 兼容性佳的 USB 2.0 接口,无需采集卡即可将图像采集到 PC 上。内置存储器可确保完整的批量传输,不会因 USB 带宽不足而出现传输错误。有多种型号可供选择,包括适合设备集成的开架式型号和带外壳的型号。

性能特点

近红外灵敏度高:红外和可见光灵敏度都很高,因此非常适合近红外图像采集应用。内置可见光切割滤光片的型号(ARTCAM-130HP-NIR-WOM)更适合近红外图像采集,也可在网站上购买。

高图像质量:可在 8fps 下输出 130 万像素的高图像质量。

采用 USB2.0 接口:采用与 PC 高度兼容的 USB2.0 接口,因此无需采集卡或主机适配器即可直接将图像采集到 PC。

结构紧凑、重量轻:可安装在各种位置。此外,适合嵌入设备的开放式框架型号del 允许使用小板镜头,从而可以缩小包括光学系统在内的系统尺寸。

感兴趣区域(ROI)功能:支持部分读出功能,这是 CMOS 图像传感器的一项功能。通过只选择和读出任意区域,可以进一步提高帧频速度。

全局快门:尽管采用了 CMOS 传感器,但仍使用了适用于机器视觉的全局快门。

标配查看器软件:查看器软件(ART-Viewer)兼容 Windows 7/8/8.1/10。

它可以轻松预览相机图像、进行各种相机设置、保存静态图像等。

随附软件开发包:在开发图像处理软件或使其他应用程序能够获取摄像机图像和控制摄像机时,标配软件开发包。

2D 测量和存档软件(可选):2D 测量和存档软件(ART-MEASURE) 可作为选件提供,它可以轻松地从预览图像和保存的图像中进行 2D 测量。可选配二维测量和归档软件 (ART-MEASURE)。

技术参数

产地:日本

类型:黑白

像素数:130万

传感器制造商:Hamamatsu Photonics

快门类型:全局

光学尺寸:2/3型

输出像素:1280(H)×1024 (V)

有效成像区域 (H)x(V):9.427(H)×7.578(V) mm

像素尺寸:7.4(H)×7.4(V)μm

帧频:8fps

快门速度:1/8651~1.06

接口:USB2.0 批量传输

同步方式:内部同步

镜头卡口:C 卡口

电源电压:DC5V(由 USB 接口提供)

功耗:约为 2W 或更低

工作温度/湿度:0 至 35°C/10 至 80%(无冷凝)

存储温度/湿度:0 至 60°C/10 至 95%(无冷凝)

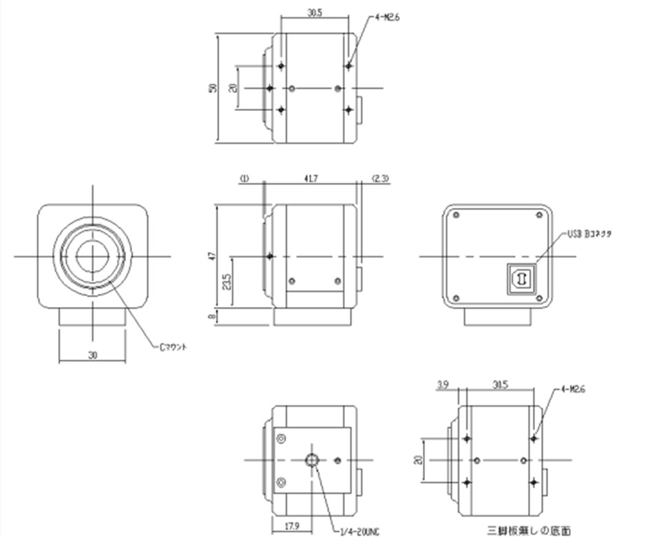
外部尺寸:50(W)×47(H)×41.7(D)mm

*不包括镜头、三脚架板和突出部件

重量:约 110 g

*不包括镜头、三脚架板和电缆

产品尺寸

相关产品