Agiltron光纤开关CLBD-815221323

840 阅读
产品介绍

CL系列1x8光纤开关通过将输入光信号重定向到选定的输出光纤来连接光通道。该开关采用我们的非机械结构,并通过电控制信号激活。锁存操作可在驱动信号移除后保留选定的光路。全固态CL 1x8光纤开关具有低插入损耗、高消光比、高通道隔离度以及高的可靠性和重复性。其设计旨在满足严苛的切换要求,包括无故障连续运行、长寿命、在冲击/振动环境下工作、大温度变化以及快速响应时间。该开关还内置循环器和隔离器功能。此系列开关可选配电子驱动器。

性能特点
  • 高速(上升/下降时间 <10µs)
  • 非机械式
  • 高可靠性
  • 故障安全锁存
  • 低插入损耗
  • 坚固耐用
  • 紧凑
  • 经济有效率
  • 直接低压驱动
选型指南

技术参数

参数

min

典型值

max

单位

工作波长

1520

1550

1580

nm

 

1295

1310

1325

nm

插入损耗

 

1.2

2.2

dB

串扰

双向系列:35单向系列:40

双向系列:45单向系列:50

 

dB

回波损耗

50

55

 

dB

PDL(保偏系列开关除外)

 

0.15

0.35

dB

消光比(仅保偏系列开关)

18

25

 

dB

偏振模式色散(仅单模光纤系列)

 

 

0.2

ps

光开关速度

(上升/下降)

5

 

10

μs

重复率

 

2K

 

Hz

耐久性

10¹⁵

 

 

次循环

光功率处理能力

 

200

300

mW

工作温度

-5

 

70

°C

存储温度

-40

 

85

°C

光纤类型

SMF - 28、Panda保偏光纤或等效光纤

重量

59

g

 

 

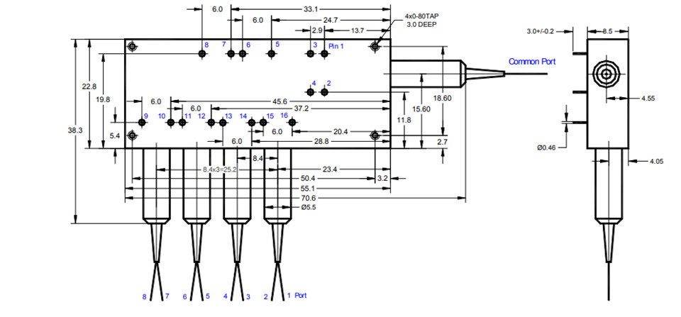
产品尺寸

产品应用

光信号路由

网络保护

突发交换

可配置分插

信号监测

仪器仪表

相关产品