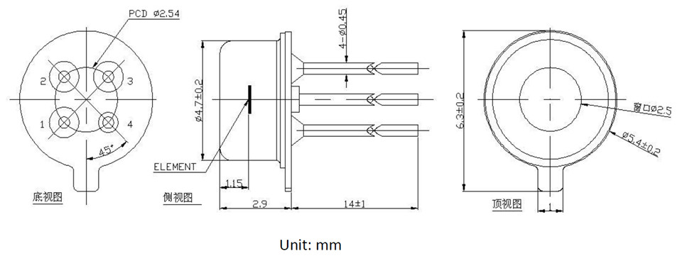
NDIR 气体传感器可通过内部热敏电阻阻值的变化来测量二氧化碳气体浓度。该产品采用 TO-46 金属插座封装,并配有用于二氧化碳气体波段的窄带通滤波器。该传感器集成了热电堆芯片和热敏电阻等电子元件,具有高可靠性和高灵敏度。该传感器专为室内使用而设计。
|
参数 |
单位 |
min |
典型值 |
max |
|
芯片尺寸 |
mm^2 |
1.1×1.1 |
- |
- |
|
敏感区域 |
mm^2 |
0.35×0.35 |
- |
- |
|
热敏电阻 (温度 = 25°C) |
KΩ |
80 |
98 |
115 |
|
噪声电压 (温度 = 25°C) |
nV/Hz^1/2 |
- |
36±2 |
- |
|
噪声等效功率 (黑体 = 500K,1Hz@25°C) |
nW/Hz^1/2 |
- |
0.23 |
- |
|
响应率 (黑体 = 500K,1Hz@25°C) |
V/w |
134 |
164 |
194 |
|
电阻温度系数(温度 = 25°C~75°C) |
%/°C |
- |
0.06 |
- |
|
时间常数 |
ms |
- |
- |
13 |
|
比探测率 (黑体 = 500K,1Hz@25°C) |
cmHz^1/2/w |
- |
1.51×10^8 |
- |
|
负温度系数电阻(25°C) |
KΩ |
- |
100±3% |
- |
|
负温度系数β(25/50°C) |
K |
- |
3950±1% |
- |
|
工作温度 |
°C |
-30 |
- |
85 |
|
存储温度 |
°C |
-30 |
- |
100 |

室内空气监测
中央通风系统
工业气体测量