产品中心

Lensation镜头(S-Mount)B10M3218S123C

404 阅读
产品介绍

S 卡口镜头 Lensagon B10M3218S123C 适用于当前max.1000 万像素、1/2.3 英寸图像格式的传感器。它的特点是具有特别高的感光度。

性能特点
  • 覆盖主流小型化设备的传感器尺寸,确保边缘画质均匀性。
  • 显著提升进光量,降低低光环境下的噪点,适合夜间监控或高速运动捕捉。
  • 提升画面纯净度,增强高感表现。
  • 在弱光成像领域具备显著优势,尤其适合工业检测、安防监控等对画质与稳定性要求严苛的场景。
技术参数

产地

德国

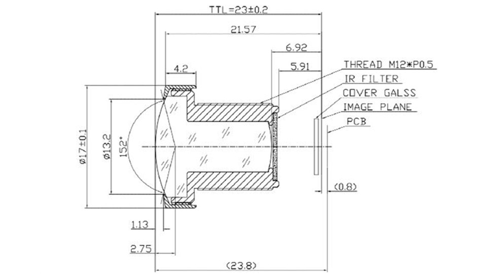
卡口

S 型

传感器尺寸

1/2.3 英寸

焦距

3.20 mm

光圈

f/1.80

后焦距

5.91 mm

视角

水平 152° / 水平 117° / 垂直 86°

像素

max.1000 万像素

红外截止滤光片

像场直径

8.20 mm

主光线角度

17.20°

滤光片

640 nm

典型值

标准

 

产品尺寸

相关产品