ECSx3080在50毫米行程范围内提供高分辨率定位。其采用交叉滚子轴承实现高导引精度。
该定位器专为高真空环境设计,可承受低至1×10-8毫巴的真空压力。不锈钢材质坚固耐用且经济有效率,适用于纳米定位器主体制造,可满足包括高真空在内的严苛真空条件要求。
|
产地 |
德国 |
|
尺寸与规格 |
|
|
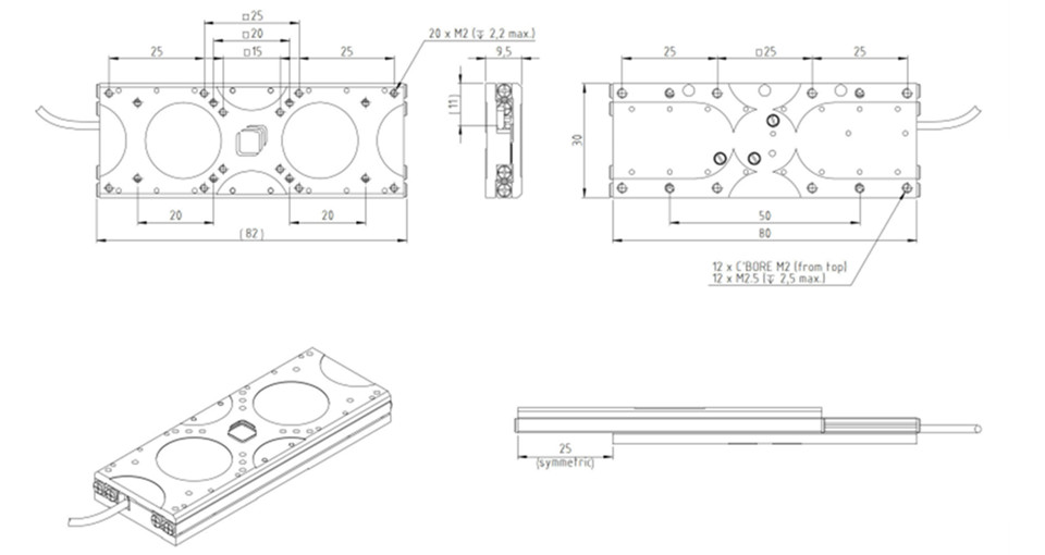
占地面积;高度 |
30 mm × 80 mm;9.5 mm |
|
安装空间 |
max.30 mm × 131.6 mm;9.5 mm |
|
重量(不锈钢版本) |
147 g |
|
高度 |
9.5 mm |
|
电缆 |
50 cm 带连接器的电缆 |
|
材料 |
|
|
定位器主体 |
不锈钢 |
|
致动器 |
PZT陶瓷 |
|
连接线 |
铜芯 |
|
护套 |
|
|
RT环境 |
PTFE |
|
HV/UHV环境 |
玻璃纤维 |
|
粗定位模式 |
|
|
行程范围(步进模式) |
50毫米 |
|
驱动速度 @ 300 K |
max.4.5毫米/秒 |
|
输入电压范围 |
0 - 45伏 |
|
精细定位模式 |
|
|
精细线性定位范围 @ 300 K |
1.6 µm |
|
精细定位分辨率 |
亚纳米级 |
|
直流输入电压范围 |
0 - 45 V |
|
负载(常温条件下) |
|
|
负载 |
max.2 kg |
|
轴向动态力 |
max.1 N |
|
通用规格 |
|
|
工作环境 |
高真空 |
