旋转台配备了专门开发的无铁直接驱动,结合了高的精度和高动态性。内部开发的空气轴承技术实现了超高精度,具有更大的工作量和无磨损的运动。
LAB的旋转台采用滚珠和空气轴承。
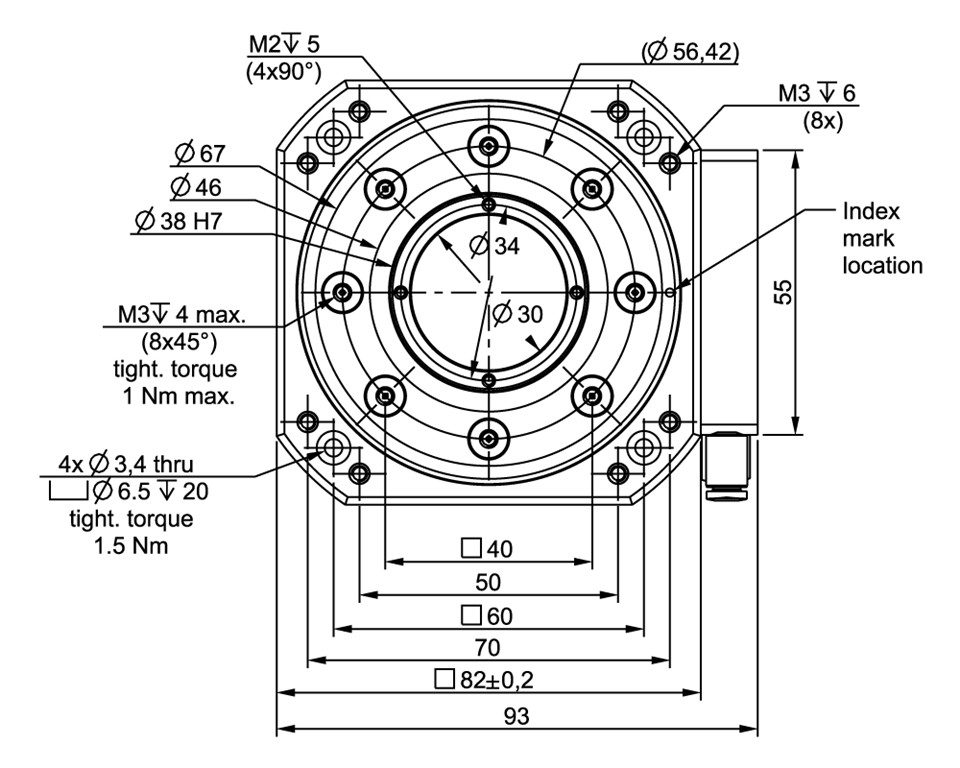
RT75S是RT-S系列中的小型旋转台,非常适合准确处理小型物体。它的小尺寸和低质量允许在多轴系统中轻松集成。它与许多Z型载物台兼容,并且可以配备滑环,以便将XY线性载物台安装在旋转载物台的顶部。
空气过滤器
传动箱3.6
滑环
产地:比利时
轴承类型:空气轴承
速度:max.300转/分
轴向载荷:max.137 N
径向载荷:max.40 N
径向误差运动:<150nm
轴向误差运动:<50nm
分辨率min.:–
角度精度:13.8弧秒
晃动:–
标称扭矩:0,04Nm
峰值扭矩:0.13Nm
总质量:0.6千克


计量设备
同步加速器
半导体行业
研究应用