M266自动单色仪/光谱仪是一款紧凑型多功能大孔径仪器,具有高光学质量和低杂散光,可用作单色仪和/或平场光谱仪。两个输出端口允许连接到M266两个出口狭缝、出口狭缝\检测器或两个检测器。М266是完全自动化的。衍射光栅的扫描和更换、阶跃分离滤波器、狭缝宽度的调整和输出端口的选择都是自动执行的,并通过智能易用的软件进行控制。М266包含嵌入式有源HUB,仅通过一根USB电缆即可从您的个人计算机控制由单色仪和探测器组成的整个系统。良好的平场和智能软件允许通过多次扫描和更换光栅和滤波器来轻松获取全景光谱,并将其放入分析报告中。M266为光谱的处理和分析提供了广泛的可能性:强度校准、峰值的自动搜索和分析、光谱计算器、轴测光谱等。
М266i(成像版)包含一个圆柱形折叠镜,并为两个输出端口提供散光补偿,从而确保M266与2D检测器一起使用,不仅在装仓模式下,而且在获得二维图像的模式下。
应您的要求,M266自动单色仪/光谱仪配有DLL和LabVIEW驱动程序,用于通过单独设计的软件控制仪器。
M266-I:外壳,带标准光学器件,一个光栅
M266i-I:外壳,带成像光学器件,一个光栅
M266-IV:外壳,带标准光学器件,4光栅转塔
M266i IV:外壳,带成像光学器件,4光栅转塔
交叉入口狭缝SXM_1 (可调针孔)
无磁十字狭缝SXM-2
标准输入狭缝S0
标准输出狭缝S1
十字狭缝SX (可调针孔)
滤光轮FW
探测器UC-14T3 (传感器:东芝 TCD1304AP)
探测器UC-14T2 (传感器:东芝 TCD1205D)
探测器UC-14H83 (传感器:滨松 S8378-1024Q)
产地:立陶宛
光学方案:优化Czerny Turner,具有一个输入和两个输出
光谱范围:典型180–3600 nm
使用适当的光栅时高达40 mkm
F/编号:1:3.8
焦距:284 mm
平坦区域:30 x 10 mm
成像:可选。可同时用于两个输出端口
光栅:50 x 50 x 10 mm,自动控制,一个或四个
入口/出口狭缝:可通过微米和自动驱动器进行调节,范围为0至2 mm,高度为12 mm
集成快门:自动调节,用于测量暗信号
计算机接口:高速USB
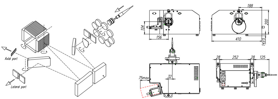
尺寸:410×252×213 mm
重量:23.5 kg

拉曼光谱、发射光谱和荧光光谱、多通道和成像光谱