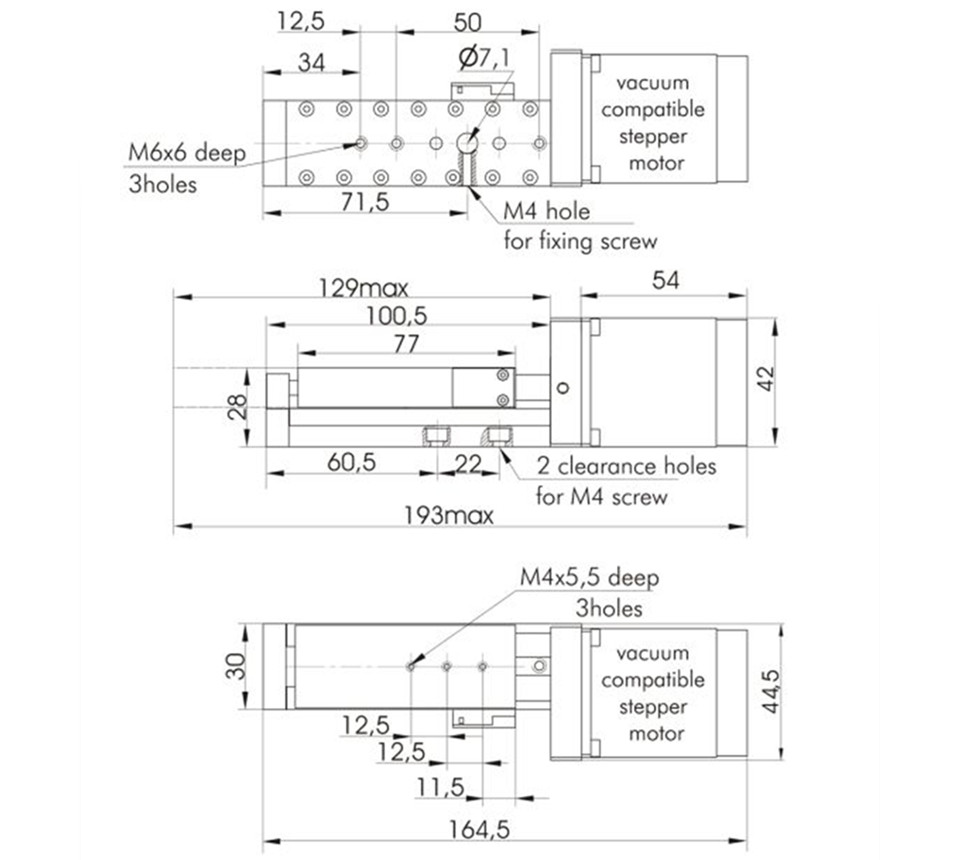
真空兼容电动线性载物台8MT30V-50是一款新开发的载物台,它包含了自其前身8MT173V-20-50推出以来实施的所有改进和修改。8MT30V-50取代了旧的8MT173V-20-50台。它可以在任何方向上操作,这意味着平台可以倒置或垂直操作,电机面朝上或面朝下。平台的耐久性得到了认真考虑,垂直承载能力提高到1公斤。平台是弹簧预加载的,以消除反斜线。8MT30V-50的设计确保在全平移范围内实现更稳定、更准确的运动。对于垂直(Z轴)安装,我们提供角度支架2AB173V-20-50。可根据要求制造定制设计的角支架。每个平移台中内置两个机械限位开关,用于行程范围末端的紧急停止或建立具有几个电机步数精度的参考位置(使用E3选项进行更准确的零位设置)。通过读取安装在电机轴上的旋钮上刻的刻度,可以以一步的精度直观地确定电机位置(使用编码器使用PC监测准确位置)。8MT30V的主体和平台均为铝制。功能部件由钢制成。
产地:立陶宛
行程范围:50 mm
导螺杆螺距:0.25 mm
分辨率(全步进):1.25µm
速度:max.2.5 mm
水平负载能力:3 kg
垂直负载能力:1 kg
Fleuro塑料电缆:2m长(集成)
电机连接器:HDB15(M)
电机:VSS42
重量:0.55 kg
X-Y配置:2CP173V-50-20
Z配置:2AB173V-20-50
控制器:8SMC5-USB
