M-Switch 系列可调式模块化安装座旨在将水平干涉仪装置转换为垂直装置。这种垂直方向有助于减少夹紧装置常见的畸变效应,并缩短校准时间。该系列硬件主要提供 4 种版本,用于测试镜子、窗口片、透镜和透镜组件。被测部件的固定可选用可变式三臂安装座(灵活性高)或我们的运动学安装座(适用于大批量测试)。我们提供各种平面度和镀膜规格的参考镜,以满足您的应用需求。
|
产地 |
美国 |
|
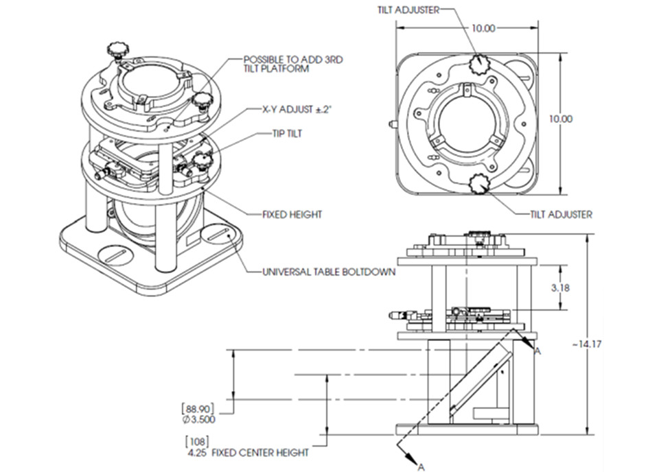
角度范围 |
±2° |
|
X-Y 轴范围 |
>.2 英寸 |
|
可变光圈夹具调节 |
直径在 1 mm至 102 mm之间 |
|
高度增加 |
安装立柱 |
|
工作台 |
XYZ |
|
工作台安装 |
顶部倾斜板上 |
|
集成 |
CGH 支架 |
|
对准方式 |
垂直 |
|
对准部件 |
光学元件与干涉仪 |
