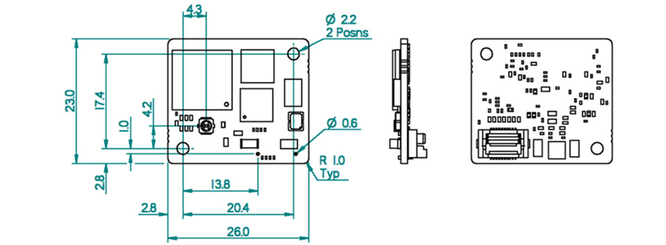
BlueBird 模拟-SDI 适配器是 Active Silicon BlueBird 系列视频适配器中的一款紧凑型接口解决方案。它可将 75Ω 单端或 100Ω 差分模拟(AHD/HD-TVI/CVBS)视频信号转换为低延迟的 HD/SD-SDI 输出。该板卡尺寸仅为 23 x 26mm,可轻松集成到小型设备中。
上电时,可通过外部信号或 VISCA 命令选择当前输入信号。SDI 输出与模拟输入信号具有相同的分辨率和频率。3.3V TTL 串行通道用于支持 VISCA 命令,以选择当前输入信号并将适配器板的状态信息传递给主机系统。
SDI 输出采用 U.FL 连接器,而板对板多路连接器则用于传输电源、TTL 串行信号、三个模拟视频输入信号以及用于选择启动输入通道的配置信号。
BlueBird 模拟-SDI 适配器可使用适配器的评估套件轻松进行评估,该套件包含 BlueBird 模拟-SDI 评估板和线缆。
|
产地 |
英国 |
|
状态指示灯(“LED1”) |
|
|
慢闪绿灯 |
适配器正在搜索所选通道的视频信号。 |
|
快闪绿灯 |
适配器正在检测所选通道的视频模式。 |
|
常亮绿灯 |
适配器已通电并正常工作。 |
|
SDI 视频输入/输出模式 |
|
|
|
AHD/HD-TVI 1080p30 [分辨率1920×1080,频率30 Hz,输出HD-SDI (1080p30)] |
|
|
AHD/HD-TVI [分辨率1080p25 1920×1080,频率25 Hz,输出HD-SDI (1080p25)] |
|
|
NTSC [分辨率720×480,频率59.94Hz,输出SD-SDI (480i)] |
|
|
PAL [分辨率720×576,频率50Hz,输出SD-SDI (576i)] |
|
尺寸 |
23mm x 26mm |
|
重量 |
7g |
|
安装孔 |
2.2mm(适用于 M2 螺纹安装螺钉/支柱) |
|
电源 |
5V |
|
功耗 |
1.05W – 1080p30 下的典型功耗,数值会随视频模式而变化。 |
|
存储温度 |
-20°C 至 +70°C |
|
工作温度 |
0°C 至 +60°C(环境温度) |
|
相对湿度 |
10% 至 90%(无冷凝)(工作和存储) |
